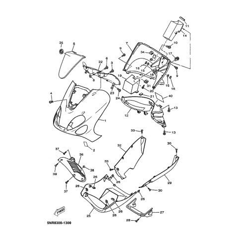
Artikelname: VERKLEIDUNG, CONSOLE (PANEL, CONSOLE 1)
Hersteller: Yamaha
OEM Nummer: 5NR-F837L-10 (5NRF837L10)
Kategorien: Kühlung 1
2006
MAJESTY 125 (YP125E)
2005
MAJESTY 125 (YP125E)
2004
MAJESTY 125 (YP125E)
SKYLINER 125 (YP125E)
2003
MAJESTY 180 (YP180E)
SKYLINER 180 (YP180E)
SKYLINER 125 (YP125E)
MAJESTY 125 (YP125E)
Yamaha Motor Co., Ltd.
YAMAHA MOTOR EUROPE N.V.
Hansemannstraße 12, 41468 Neuss
Postfach 21 06 53, 41432 Neuss
Deutschland
https://global.yamaha-motor.com/
https://www.yamaha-motor.eu/de