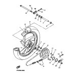
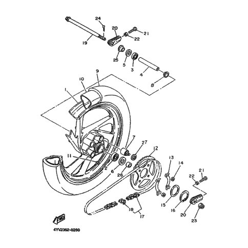
Artikelname: SEPARADOR (BALL)
Hersteller: Yamaha
OEM Nummer: 93560-15823 (9356015823)
Kategorien: Hinterrad
2001
TZR50
1996
TZR50
Yamaha Motor Co., Ltd.
YAMAHA MOTOR EUROPE N.V.
Hansemannstraße 12, 41468 Neuss
Postfach 21 06 53, 41432 Neuss
Deutschland
https://global.yamaha-motor.com/
https://www.yamaha-motor.eu/de