Artikelname: VERBINDUNG 1 (JOINT 1)
Hersteller: Yamaha
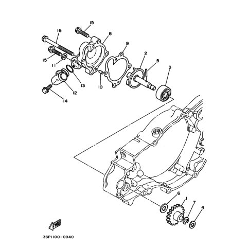
OEM Nummer: 10V-12469-01 (10V1246901)
Kategorien: Wasserpumpe
1996
WR250Z
1995
YZ250
WR250Z
1994
WR250Z
YZ250
DT50LC
1993
WR250Z
YZ250
1992
YZ250
WR250Z
1991
YZ250
WR250Z
1990
YZ250
YZ250 (YZ250WR)
Yamaha Motor Co., Ltd.
YAMAHA MOTOR EUROPE N.V.
Hansemannstraße 12, 41468 Neuss
Postfach 21 06 53, 41432 Neuss
Deutschland
https://global.yamaha-motor.com/
https://www.yamaha-motor.eu/de