Artikelname: OLROHR 1 (PIPE, OIL 1)
Hersteller: Yamaha
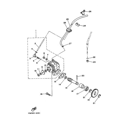
OEM Nummer: 10V-13416-00 (10V1341600)
Kategorien: Ölpumpe
1986
RD125LC
Yamaha Motor Co., Ltd.
YAMAHA MOTOR EUROPE N.V.
Hansemannstraße 12, 41468 Neuss
Postfach 21 06 53, 41432 Neuss
Deutschland
https://global.yamaha-motor.com/
https://www.yamaha-motor.eu/de