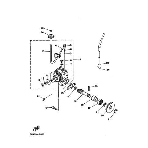
Artikelname: EINSTELLPLATTE (PLATE, ADJUSTING)
Hersteller: Yamaha
OEM Nummer: 137-13138-00 (1371313800)
Kategorien: Ölpumpe
1989
DT125R
Yamaha Motor Co., Ltd.
YAMAHA MOTOR EUROPE N.V.
Hansemannstraße 12, 41468 Neuss
Postfach 21 06 53, 41432 Neuss
Deutschland
https://global.yamaha-motor.com/
https://www.yamaha-motor.eu/de