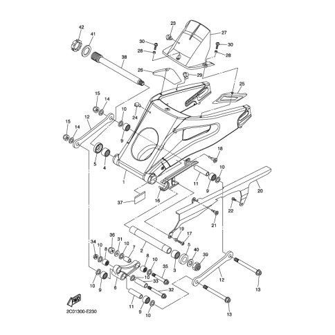
Artikelname: HINTERRADSCHWINGE KOMPL (REAR ARM COMP)
Hersteller: Yamaha
OEM Nummer: 13S-22110-00 (13S2211000)
Kategorien: Heck
2016
YZF-R6 (YZF-R6)
2015
YZF-R6 (YZF-R6)
2014
YZF-R6 (YZF-R6)
2013
YZF-R6 (YZF-R6)
2012
YZF-R6 (YZF-R6)
2011
YZF-R6 (YZF-R6)
2010
YZF-R6 (YZF-R6)
2009
YZF-R6 (YZF-R6)
2008
YZF-R6 (YZF-R6)
Yamaha Motor Co., Ltd.
YAMAHA MOTOR EUROPE N.V.
Hansemannstraße 12, 41468 Neuss
Postfach 21 06 53, 41432 Neuss
Deutschland
https://global.yamaha-motor.com/
https://www.yamaha-motor.eu/de