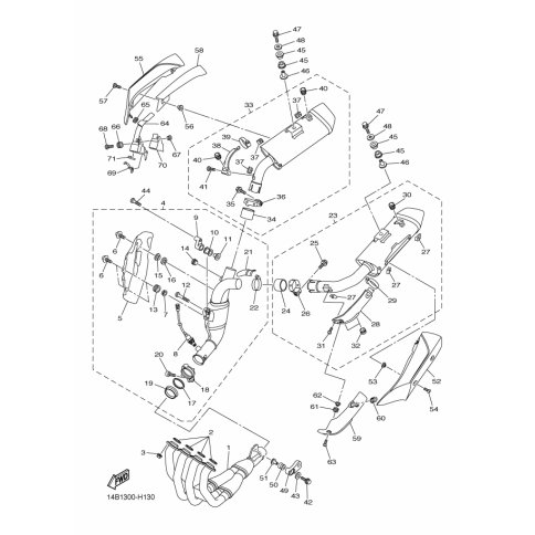
Artikelname: SCHALLDAMPFEREINHEIT 2 (MUFFLER ASSY 2)
Hersteller: Yamaha
OEM Nummer: 14B-14720-20 (14B1472020)
Kategorien: Auspuff
2011
YZF-R1 (YZF-R1)
Yamaha Motor Co., Ltd.
YAMAHA MOTOR EUROPE N.V.
Hansemannstraße 12, 41468 Neuss
Postfach 21 06 53, 41432 Neuss
Deutschland
https://global.yamaha-motor.com/
https://www.yamaha-motor.eu/de