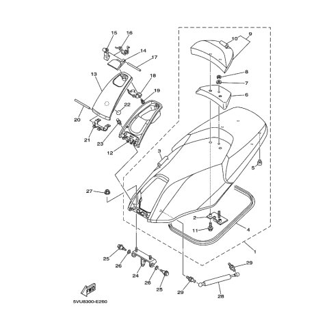
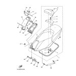
Artikelname: DECKEL, DOPPELSITZ (SEAT COVER COMP)
Hersteller: Yamaha
OEM Nummer: 15B-2470F-10 (15B2470F10)
Kategorien: Sitz
2007
TMAX ABS (XP500A)
TMAX (XP500)
Yamaha Motor Co., Ltd.
YAMAHA MOTOR EUROPE N.V.
Hansemannstraße 12, 41468 Neuss
Postfach 21 06 53, 41432 Neuss
Deutschland
https://global.yamaha-motor.com/
https://www.yamaha-motor.eu/de