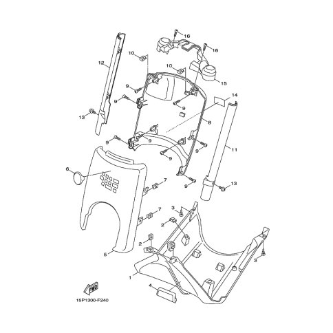
Artikelname: EMBLEM 2 (EMBLEM 2)
Information: UR DGNM2
Hersteller: Yamaha
OEM Nummer: 15P-F1782-00 (15PF178200)
Kategorien: Abdeckung
2009
GIGGLE (XF50)
Yamaha Motor Co., Ltd.
YAMAHA MOTOR EUROPE N.V.
Hansemannstraße 12, 41468 Neuss
Postfach 21 06 53, 41432 Neuss
Deutschland
https://global.yamaha-motor.com/
https://www.yamaha-motor.eu/de