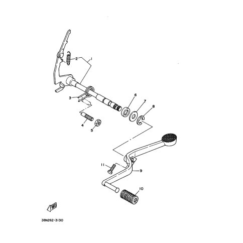
Artikelname: SCHALTWELLENEINHEIT (SHIFT SHAFT ASSY)
Hersteller: Yamaha
OEM Nummer: 164-18101-02 (1641810102)
Kategorien: Schaltwelle
1987
YB100
Yamaha Motor Co., Ltd.
YAMAHA MOTOR EUROPE N.V.
Hansemannstraße 12, 41468 Neuss
Postfach 21 06 53, 41432 Neuss
Deutschland
https://global.yamaha-motor.com/
https://www.yamaha-motor.eu/de