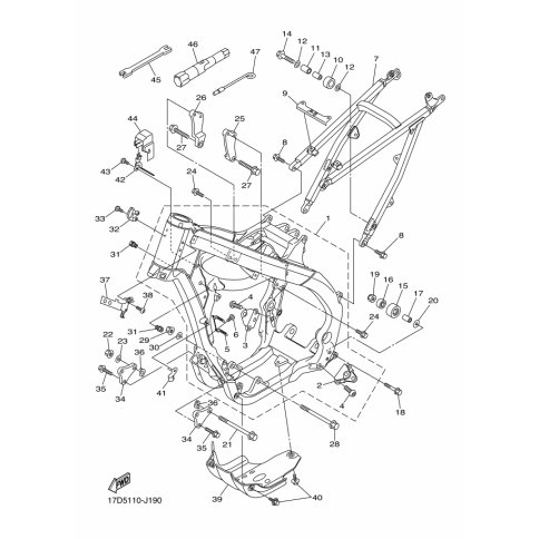
Artikelname: KONSOLE, V. UNTEN 1 (BRACKET, FRONT LOWER 1)
Hersteller: Yamaha
OEM Nummer: 17D-21417-50 (17D2141750)
Kategorien: Rahmen
2011
YZ250F (YZ250F)
2010
YZ250F (YZ250F)
Yamaha Motor Co., Ltd.
YAMAHA MOTOR EUROPE N.V.
Hansemannstraße 12, 41468 Neuss
Postfach 21 06 53, 41432 Neuss
Deutschland
https://global.yamaha-motor.com/
https://www.yamaha-motor.eu/de