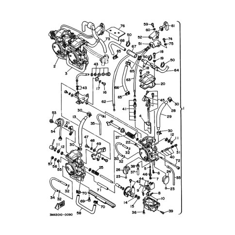
Artikelname: JET, POWER (#10) (JET, POWER)
Hersteller: Yamaha
OEM Nummer: 18M-1414B-02 (18M1414B02)
Kategorien: Vergaser
1990
TZR250SP
Yamaha Motor Co., Ltd.
YAMAHA MOTOR EUROPE N.V.
Hansemannstraße 12, 41468 Neuss
Postfach 21 06 53, 41432 Neuss
Deutschland
https://global.yamaha-motor.com/
https://www.yamaha-motor.eu/de