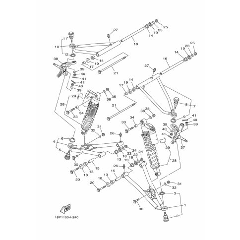
Artikelname: FRONT UPPER ARM COMP. (RIGH (FRONT UPPER ARM COMP. (RIGHT))
Hersteller: Yamaha
OEM Nummer: 18P-23550-00-33 (18P235500033)
Kategorien: Federung & Rad
2013
YFZ450R SE (YFZ450R)
2012
YFZ450R (YFZ450R)
2011
YFZ450R (YFZ450R)
2010
YFZ450R (YFZ450R)
2009
YFZ450R (YFZ450R)
Yamaha Motor Co., Ltd.
YAMAHA MOTOR EUROPE N.V.
Hansemannstraße 12, 41468 Neuss
Postfach 21 06 53, 41432 Neuss
Deutschland
https://global.yamaha-motor.com/
https://www.yamaha-motor.eu/de