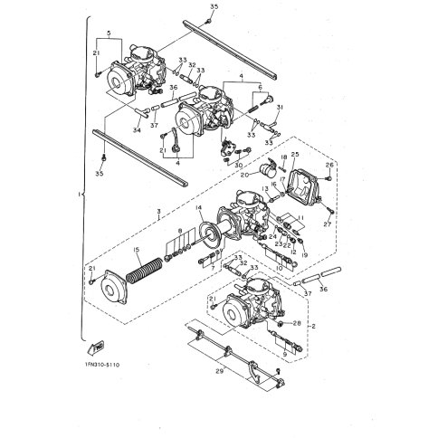
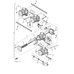
Artikelname: SCHRAUBE (SCREW)
Hersteller: Yamaha
OEM Nummer: 1AE-14565-00 (1AE1456500)
Kategorien: Vergaser, Alternative Für Vergaser
1998
FZX750
1997
GENESIS (FZR600)
1996
GENESIS (FZR600)
FZX750L
1995
GENESIS (FZR600)
1993
FZX750
GENESIS (FZR600)
FZR500
1992
GENESIS (FZR600)
FZR500
1991
FZX750
FZR500
FZ750
GENESIS (FZR600)
1990
GENESIS (FZR600)
FZX750
FZ750
FZR500
1989
FZ750
GENESIS (FZR600)
FZR500
1988
FZ750
FZR1000
FZX750
FZR750R
1987
FZR1000
FZ750T
FZ750
FZX750
FZ750 T
1986
FZ750
FZX750
1985
FZ750
Yamaha Motor Co., Ltd.
YAMAHA MOTOR EUROPE N.V.
Hansemannstraße 12, 41468 Neuss
Postfach 21 06 53, 41432 Neuss
Deutschland
https://global.yamaha-motor.com/
https://www.yamaha-motor.eu/de