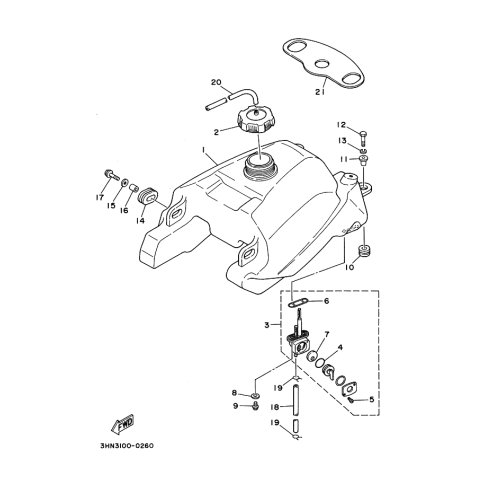
Artikelname: VENTIL
Hersteller: Yamaha
OEM Nummer: 1AJ-24523-00 (1AJ245230000)
Kategorien: TANK
Yamaha Motor Co., Ltd.
YAMAHA MOTOR EUROPE N.V.
Hansemannstraße 12, 41468 Neuss
Postfach 21 06 53, 41432 Neuss
Deutschland
https://global.yamaha-motor.com/
https://www.yamaha-motor.eu/de