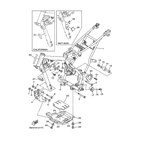
Artikelname: RAHMEN KOMPL (FRAME COMP)
Hersteller: Yamaha
OEM Nummer: 1B2-F1110-20 (1B2F111020)
Kategorien: Rahmen
2005
TT-R125LWE (TT-R125LWE)
Yamaha Motor Co., Ltd.
YAMAHA MOTOR EUROPE N.V.
Hansemannstraße 12, 41468 Neuss
Postfach 21 06 53, 41432 Neuss
Deutschland
https://global.yamaha-motor.com/
https://www.yamaha-motor.eu/de