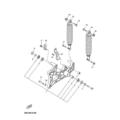
Artikelname: HINTERRADSCHWINGE KOMPL (HINTERRADSCHWINGE KOMPL)
Hersteller: Yamaha
OEM Nummer: 1B9-F2110-00 (1B9F211000)
Kategorien: Schwinge & Aufhaengung, Heck & Federung
2007
SKYCRUISER 125 (YP125R)
XMAX 125 (YP125R)
Yamaha Motor Co., Ltd.
YAMAHA MOTOR EUROPE N.V.
Hansemannstraße 12, 41468 Neuss
Postfach 21 06 53, 41432 Neuss
Deutschland
https://global.yamaha-motor.com/
https://www.yamaha-motor.eu/de