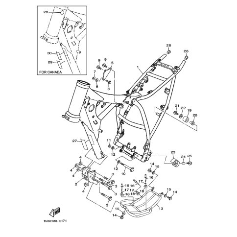
Artikelname: PLATE, EPA (PLATE, EPA)
Hersteller: Yamaha
OEM Nummer: 1C6-2179C-00 (1C62179C00)
Kategorien: Rahmen
2006
TT-R230 (TT-R230)
Yamaha Motor Co., Ltd.
YAMAHA MOTOR EUROPE N.V.
Hansemannstraße 12, 41468 Neuss
Postfach 21 06 53, 41432 Neuss
Deutschland
https://global.yamaha-motor.com/
https://www.yamaha-motor.eu/de