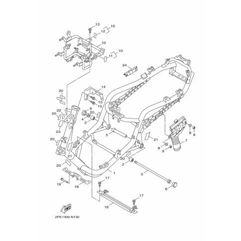
Artikelname: KONSOLE, V. OBEN 1 (BRACKET, FRONT UPPER 1)
Hersteller: Yamaha
OEM Nummer: 1DK-F1415-00 (1DKF141500)
Kategorien: Rahmen
2014
MAJESTY S (XC125R)
Yamaha Motor Co., Ltd.
YAMAHA MOTOR EUROPE N.V.
Hansemannstraße 12, 41468 Neuss
Postfach 21 06 53, 41432 Neuss
Deutschland
https://global.yamaha-motor.com/
https://www.yamaha-motor.eu/de