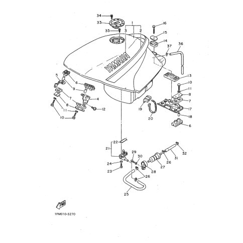
Artikelname: KRAFTSTOFFTANK KOMPL (FUEL TANK COMP)
Hersteller: Yamaha
OEM Nummer: 1FM-24110-00-04 (1FM241100004)
Kategorien: Tank
1986
FZ750
Yamaha Motor Co., Ltd.
YAMAHA MOTOR EUROPE N.V.
Hansemannstraße 12, 41468 Neuss
Postfach 21 06 53, 41432 Neuss
Deutschland
https://global.yamaha-motor.com/
https://www.yamaha-motor.eu/de