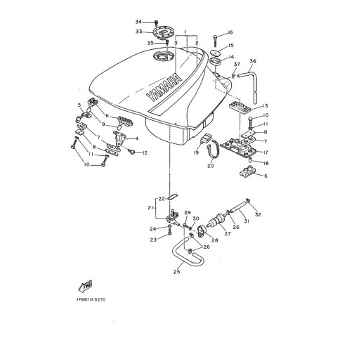
Artikelname: EMBLEM 1 (EMBLEM 1)
Hersteller: Yamaha
OEM Nummer: 1FM-24161-00 (1FM2416100)
Kategorien: Tank, Treibstofftank
1986
FZ750
1985
FZ750
Yamaha Motor Co., Ltd.
YAMAHA MOTOR EUROPE N.V.
Hansemannstraße 12, 41468 Neuss
Postfach 21 06 53, 41432 Neuss
Deutschland
https://global.yamaha-motor.com/
https://www.yamaha-motor.eu/de