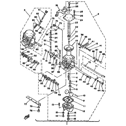
Artikelname: BUCHSE (BUSH)
Hersteller: Yamaha
OEM Nummer: 1J7-14998-00 (1J71499800)
Kategorien: Vergaser
1980
XS1100G
1979
XS250
XS750
XS400
Yamaha Motor Co., Ltd.
YAMAHA MOTOR EUROPE N.V.
Hansemannstraße 12, 41468 Neuss
Postfach 21 06 53, 41432 Neuss
Deutschland
https://global.yamaha-motor.com/
https://www.yamaha-motor.eu/de