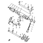
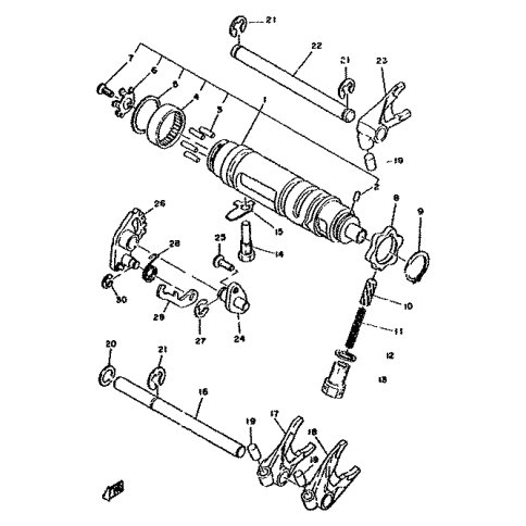
Artikelname: SCHALTNOCKENWEINHEIT (SHIFT CAM ASSY)
Hersteller: Yamaha
OEM Nummer: 1J7-18540-01 (1J71854001)
Kategorien: Schaltung
1979
XS750
Yamaha Motor Co., Ltd.
YAMAHA MOTOR EUROPE N.V.
Hansemannstraße 12, 41468 Neuss
Postfach 21 06 53, 41432 Neuss
Deutschland
https://global.yamaha-motor.com/
https://www.yamaha-motor.eu/de