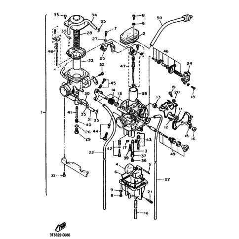
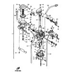
Artikelname: VENTIL, DROSSEL 1 (VALVE, THROTTLE 1)
Hersteller: Yamaha
OEM Nummer: 1JK-14312-55 (1JK1431255)
Kategorien: Vergaser
1993
TT600S
Yamaha Motor Co., Ltd.
YAMAHA MOTOR EUROPE N.V.
Hansemannstraße 12, 41468 Neuss
Postfach 21 06 53, 41432 Neuss
Deutschland
https://global.yamaha-motor.com/
https://www.yamaha-motor.eu/de