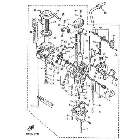
Artikelname: VENTIL, DROSSEL 1 (VALVE, THROTTLE 1)
Hersteller: Yamaha
OEM Nummer: 1JK-14312-60 (1JK1431260)
Kategorien: Vergaser
1997
SZR660
1996
TENERE (XTZ660)
1995
SRZ660
1994
TENERE (XTZ660)
XTZ660
1993
XTZ660
1992
XTZ660
1991
XTZ660
Yamaha Motor Co., Ltd.
YAMAHA MOTOR EUROPE N.V.
Hansemannstraße 12, 41468 Neuss
Postfach 21 06 53, 41432 Neuss
Deutschland
https://global.yamaha-motor.com/
https://www.yamaha-motor.eu/de