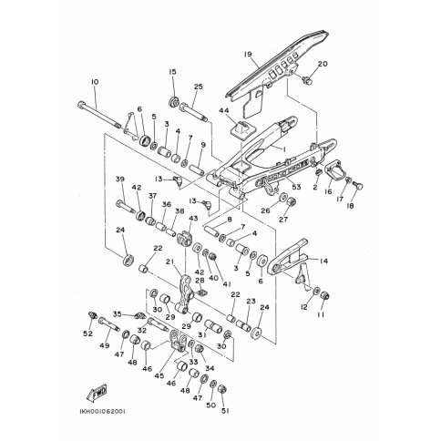
Artikelname: HINTERRADSCHWINGE KOMPL (REAR ARM COMP)
Hersteller: Yamaha
OEM Nummer: 1KH-22110-00-35 (1KH221100035)
Kategorien: Hinterer Arm
1987
SEROW (XT225)
Yamaha Motor Co., Ltd.
YAMAHA MOTOR EUROPE N.V.
Hansemannstraße 12, 41468 Neuss
Postfach 21 06 53, 41432 Neuss
Deutschland
https://global.yamaha-motor.com/
https://www.yamaha-motor.eu/de