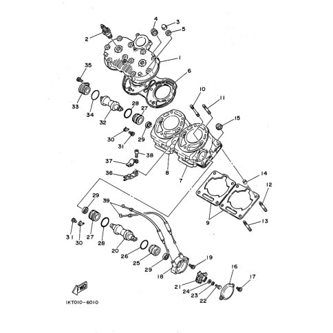
Artikelname: VENTIL 2 (VALVE 2)
Hersteller: Yamaha
OEM Nummer: 1KT-1132A-00 (1KT1132A00)
Kategorien: Zylinder
1992
R1-Z
1991
R1-Z
1990
TDR240
TDR250
1989
TZR250
1988
TZR250
TDR250
TDR240
1987
TZR250
Yamaha Motor Co., Ltd.
YAMAHA MOTOR EUROPE N.V.
Hansemannstraße 12, 41468 Neuss
Postfach 21 06 53, 41432 Neuss
Deutschland
https://global.yamaha-motor.com/
https://www.yamaha-motor.eu/de