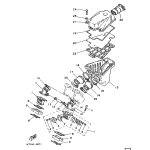
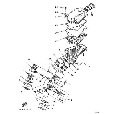
Artikelname: VOLLKOLBEN (SEAT, INTAKE VALVE 1)
Hersteller: Yamaha
OEM Nummer: 1KT-13661-00 (1KT1366100)
Kategorien: Einlass
1989
TZR250
1988
TZR250
1987
TZR250
Yamaha Motor Co., Ltd.
YAMAHA MOTOR EUROPE N.V.
Hansemannstraße 12, 41468 Neuss
Postfach 21 06 53, 41432 Neuss
Deutschland
https://global.yamaha-motor.com/
https://www.yamaha-motor.eu/de