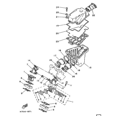
Artikelname: PLATTE, ELEMENT (PLATE, ELEMENT)
Hersteller: Yamaha
OEM Nummer: 1KT-14472-00 (1KT1447200)
Kategorien: Aufnahme, Einlass
1992
R1-Z
1991
R1-Z
1989
TZR250
1988
TZR250
1987
TZR250
Yamaha Motor Co., Ltd.
YAMAHA MOTOR EUROPE N.V.
Hansemannstraße 12, 41468 Neuss
Postfach 21 06 53, 41432 Neuss
Deutschland
https://global.yamaha-motor.com/
https://www.yamaha-motor.eu/de