Artikelname: ROHR, ANLASSERVERBINDUNG (PIPE, STARTER CONNECTING)
Hersteller: Yamaha
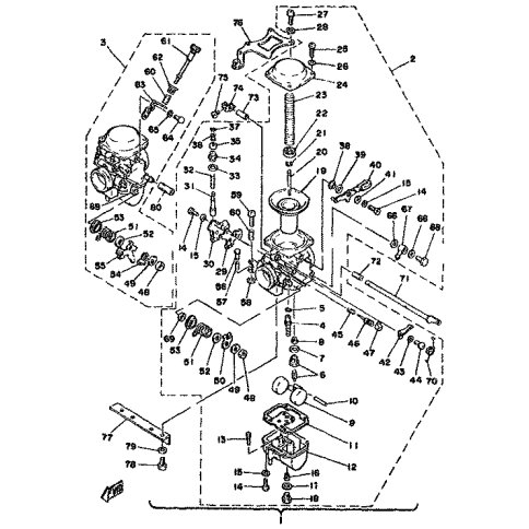
OEM Nummer: 1L9-14988-00 (1L91498800)
Kategorien: Vergaser
1979
XS250
XS400
Yamaha Motor Co., Ltd.
YAMAHA MOTOR EUROPE N.V.
Hansemannstraße 12, 41468 Neuss
Postfach 21 06 53, 41432 Neuss
Deutschland
https://global.yamaha-motor.com/
https://www.yamaha-motor.eu/de