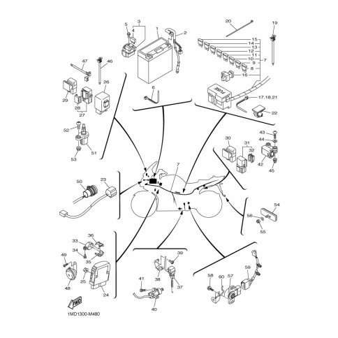
Artikelname: BAND (WIRE, SUB LEAD)
Hersteller: Yamaha
OEM Nummer: 1MD-82583-00 (1MD8258300)
Kategorien: Elektrik 2
2020
FJR1300AS (FJR1300D-AS)
2018
FJR1300AS (FJR1300-AS)
2016
FJR1300AS (FJR1300-AS)
2015
FJR1300AS (FJR1300AS)
2013
FJR1300AS (FJR1300AS)
Yamaha Motor Co., Ltd.
YAMAHA MOTOR EUROPE N.V.
Hansemannstraße 12, 41468 Neuss
Postfach 21 06 53, 41432 Neuss
Deutschland
https://global.yamaha-motor.com/
https://www.yamaha-motor.eu/de