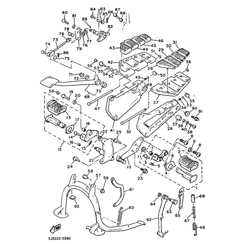
Artikelname: KONSOLE 3 (BRACKET 3)
Hersteller: Yamaha
OEM Nummer: 1NL-27443-00 (1NL2744300)
Kategorien: Ständer & Fussraste
1991
VENTURE ROYAL (XVZ13TD)
1990
VENTURE ROYAL (XVZ13TD)
1989
VENTURE ROYAL (XVZ13TD)
Yamaha Motor Co., Ltd.
YAMAHA MOTOR EUROPE N.V.
Hansemannstraße 12, 41468 Neuss
Postfach 21 06 53, 41432 Neuss
Deutschland
https://global.yamaha-motor.com/
https://www.yamaha-motor.eu/de