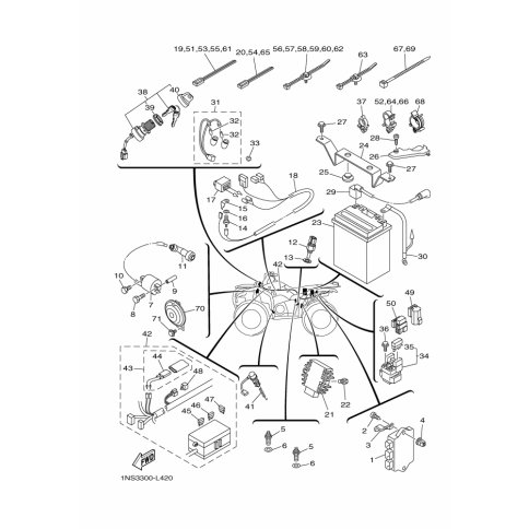
Artikelname: KABELBAUM KOMPL (WIRE HARNESS ASSY)
Hersteller: Yamaha
OEM Nummer: 1NS-82590-20 (1NS8259020)
Kategorien: Elektrik 1
2016
GRIZZLY 350 4WD (YFM350FWA)
2015
GRIZZLY 350 4WD (YFM350FWA)
2014
GRIZZLY 350 4WD (YFM350FWA)
2013
GRIZZLY 350 (YFM350FWA)
GRIZZLY 350 4WD (YFM350FWA)
2012
GRIZZLY 350 4WD (YFM350FWA)
Yamaha Motor Co., Ltd.
YAMAHA MOTOR EUROPE N.V.
Hansemannstraße 12, 41468 Neuss
Postfach 21 06 53, 41432 Neuss
Deutschland
https://global.yamaha-motor.com/
https://www.yamaha-motor.eu/de