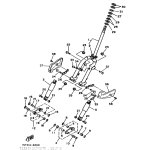
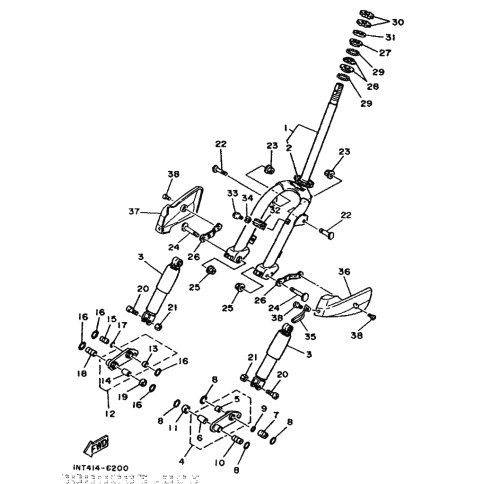
Artikelname: SEITENKAPPE 1 (CAP, SIDE 1)
Information: UR^YAMAHA BLACK
Hersteller: Yamaha
OEM Nummer: 1NT-F3338-60-33 (1NTF33386033)
Kategorien: Gabel
1993
CT50S
1990
CT50S
Yamaha Motor Co., Ltd.
YAMAHA MOTOR EUROPE N.V.
Hansemannstraße 12, 41468 Neuss
Postfach 21 06 53, 41432 Neuss
Deutschland
https://global.yamaha-motor.com/
https://www.yamaha-motor.eu/de