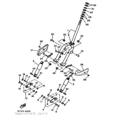
Artikelname: SEITENKAPPE 2 (CAP, SIDE 2)
Information: UR^WHITE/RED, VIVID RED/BL
Hersteller: Yamaha
OEM Nummer: 1NT-F3339-C0 (1NTF3339C0)
Kategorien: Gabel
1993
CT50S
Yamaha Motor Co., Ltd.
YAMAHA MOTOR EUROPE N.V.
Hansemannstraße 12, 41468 Neuss
Postfach 21 06 53, 41432 Neuss
Deutschland
https://global.yamaha-motor.com/
https://www.yamaha-motor.eu/de