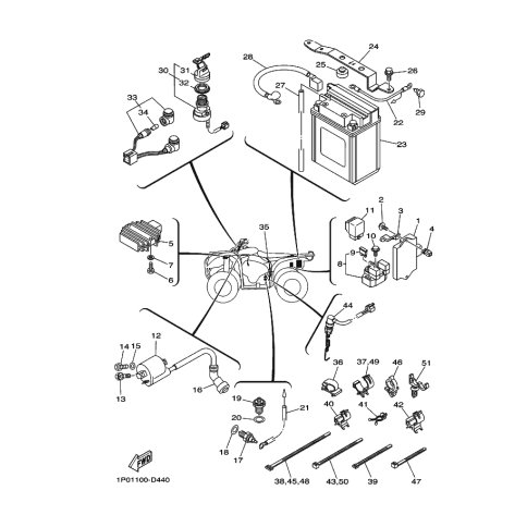
Artikelname: BELUFTUNGSROHR (PIPE, BREATHER)
Hersteller: Yamaha
OEM Nummer: 1P0-H2112-00 (1P0H211200)
Kategorien: Elektrik 1
2011
BIG BEAR 250 (YFM250)
2010
BIG BEAR 250 (YFM250)
2009
BIG BEAR 250 (YFM250)
2008
BIG BEAR 250 (YFM250)
2007
BIG BEAR 250 (YFM250)
2006
BRUIN 250 (YFM250)
2005
BRUIN 250 (YFM250)
BEAR TRACKER (YFM250)
Yamaha Motor Co., Ltd.
YAMAHA MOTOR EUROPE N.V.
Hansemannstraße 12, 41468 Neuss
Postfach 21 06 53, 41432 Neuss
Deutschland
https://global.yamaha-motor.com/
https://www.yamaha-motor.eu/de