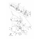
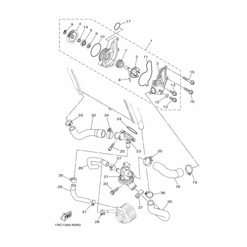
Artikelname: DECKEL, GEHAUSE (COVER, HOUSING)
Hersteller: Yamaha
OEM Nummer: 1RC-12422-00 (1RC1242200)
Kategorien: Wasserpumpe
2023
XSR900 (MTM890-U)
2022
XSR900 (MTM890)
2020
NIKEN GT (MXT850D)
MT-09 ABS (MTN850-A)
TRACER 900 (MTT850)
XSR900 (MTM850)
TRACER 900 GT (MTT850D)
NIKEN (MXT850)
2019
XSR900 (MTM850)
TRACER 900 GT (MTT850D)
TRACER 900 (MTT850)
MT-09 ABS (MTN850-A)
NIKEN GT (MXT850D)
2018
TRACER 900 (MTT850)
TRACER 900 GT (MTT850D)
XSR900 (MTM850)
MT-09 ABS (MTN850-A)
NIKEN (MXT850)
MT-09 SP (MTN850D)
2017
MT-09 ABS (MTN850-A)
TRACER 900 (MT09TRA)
XSR900 ABARTH (MTM850)
2016
MT-09 (MT09)
MT-09 ABS (MT09A)
XSR900 (MTM850)
TRACER 900 (MT09TRA)
2015
MT-09 STREET RALLY ABS (MT09A)
MT-09 (MT09)
MT-09 STREET RALLY (MT09)
TRACER 900 (MT09TRA)
MT-09 ABS (MT09A)
2014
MT-09 ABS (MT09A)
MT-09 (MT09)
Yamaha Motor Co., Ltd.
YAMAHA MOTOR EUROPE N.V.
Hansemannstraße 12, 41468 Neuss
Postfach 21 06 53, 41432 Neuss
Deutschland
https://global.yamaha-motor.com/
https://www.yamaha-motor.eu/de