Artikelname: ROHR 5 (PIPE 5)
Hersteller: Yamaha
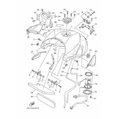
OEM Nummer: 1RC-24315-00 (1RC2431500)
Kategorien: Tank
2020
MT-09 ABS (MTN850-A)
TRACER 900 (MTT850)
XSR900 (MTM850)
TRACER 900 GT (MTT850D)
2019
XSR900 (MTM850)
TRACER 900 GT (MTT850D)
TRACER 900 (MTT850)
MT-09 ABS (MTN850-A)
2018
TRACER 900 (MTT850)
TRACER 900 GT (MTT850D)
XSR900 (MTM850)
MT-09 ABS (MTN850-A)
MT-09 SP (MTN850D)
2017
MT-09 ABS (MTN850-A)
TRACER 900 (MT09TRA)
XSR900 ABARTH (MTM850)
2016
MT-09 (MT09)
MT-09 ABS (MT09A)
XSR900 (MTM850)
TRACER 900 (MT09TRA)
2015
MT-09 STREET RALLY ABS (MT09A)
MT-09 (MT09)
MT-09 STREET RALLY (MT09)
TRACER 900 (MT09TRA)
MT-09 ABS (MT09A)
2014
MT-09 ABS (MT09A)
MT-09 (MT09)
Yamaha Motor Co., Ltd.
YAMAHA MOTOR EUROPE N.V.
Hansemannstraße 12, 41468 Neuss
Postfach 21 06 53, 41432 Neuss
Deutschland
https://global.yamaha-motor.com/
https://www.yamaha-motor.eu/de