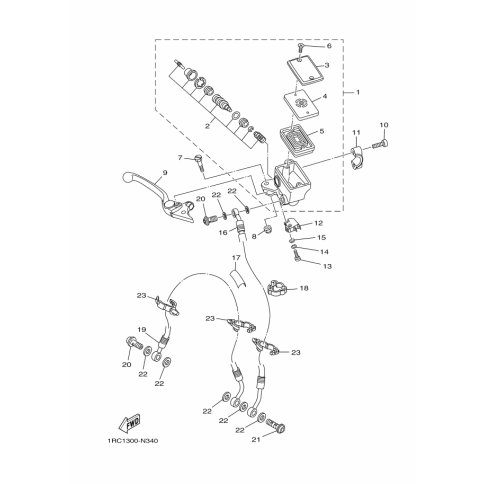
Artikelname: MASTER CYLINDER SU (MASTER CYLINDER SUB ASSY 2)
Hersteller: Yamaha
OEM Nummer: 1RC-2580A-00 (1RC2580A00)
Kategorien: Hauptbremszylinder
2016
MT-09 (MT09)
2015
MT-09 (MT09)
MT-09 STREET RALLY (MT09)
2014
MT-09 (MT09)
Yamaha Motor Co., Ltd.
YAMAHA MOTOR EUROPE N.V.
Hansemannstraße 12, 41468 Neuss
Postfach 21 06 53, 41432 Neuss
Deutschland
https://global.yamaha-motor.com/
https://www.yamaha-motor.eu/de