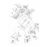
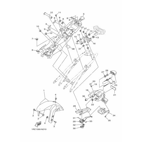
Artikelname: ZULASSUNGS. LEUCHTE KOMPL (LICENCE LIGHT ASSY)
Hersteller: Yamaha
OEM Nummer: 1RC-84740-00 (1RC8474000)
Kategorien: Kotflugel
2016
MT-09 (MT09)
MT-09 ABS (MT09A)
2015
MT-09 STREET RALLY ABS (MT09A)
MT-09 (MT09)
MT-09 STREET RALLY (MT09)
MT-09 ABS (MT09A)
2014
MT-09 ABS (MT09A)
MT-09 (MT09)
Yamaha Motor Co., Ltd.
YAMAHA MOTOR EUROPE N.V.
Hansemannstraße 12, 41468 Neuss
Postfach 21 06 53, 41432 Neuss
Deutschland
https://global.yamaha-motor.com/
https://www.yamaha-motor.eu/de