Artikelname: OLPUMPENEINGEIT (OIL PUMP ASSY)
Hersteller: Yamaha
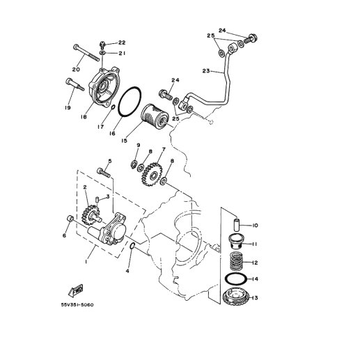
OEM Nummer: 1RG-13300-00 (1RG1330000)
Kategorien: Ölpumpe
1990
TT350
1989
TT350
Yamaha Motor Co., Ltd.
YAMAHA MOTOR EUROPE N.V.
Hansemannstraße 12, 41468 Neuss
Postfach 21 06 53, 41432 Neuss
Deutschland
https://global.yamaha-motor.com/
https://www.yamaha-motor.eu/de