Artikelname: SCHLAUCH, BEHALTER (HOSE, RESERVOIR)
Hersteller: Yamaha
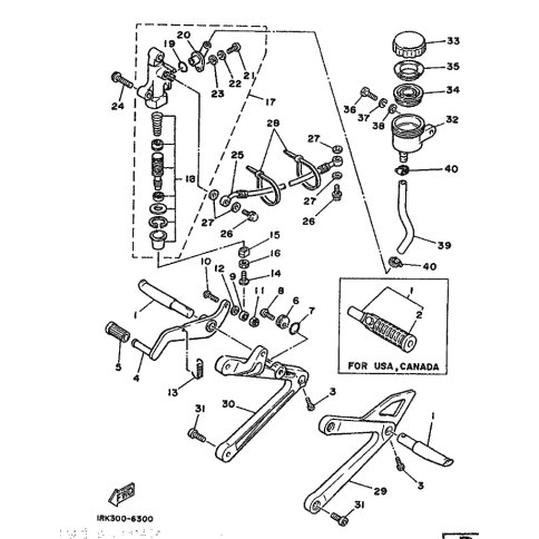
OEM Nummer: 1RK-25895-00 (1RK2589500)
Kategorien: Hauptbremszylinder
1987
TZ250
1986
TZ250
Yamaha Motor Co., Ltd.
YAMAHA MOTOR EUROPE N.V.
Hansemannstraße 12, 41468 Neuss
Postfach 21 06 53, 41432 Neuss
Deutschland
https://global.yamaha-motor.com/
https://www.yamaha-motor.eu/de