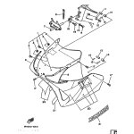
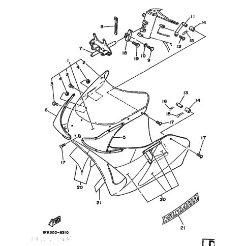
Artikelname: VERKLEIDUNG KOMPL (COWLING ASSY)
Hersteller: Yamaha
OEM Nummer: 1RK-28350-00 (1RK2835000)
Kategorien: Kühlung 1
1986
TZ250
Yamaha Motor Co., Ltd.
YAMAHA MOTOR EUROPE N.V.
Hansemannstraße 12, 41468 Neuss
Postfach 21 06 53, 41432 Neuss
Deutschland
https://global.yamaha-motor.com/
https://www.yamaha-motor.eu/de