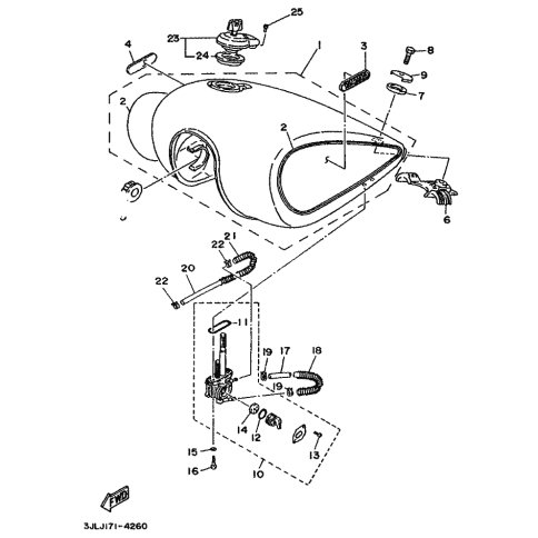
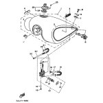
Artikelname: KRAFTSTOFFTANK KOMPL (FUEL TANK COMP)
Hersteller: Yamaha
OEM Nummer: 1RM-24110-00-X7 (1RM2411000X7)
Kategorien: Tank
1994
VIRAGO (XV750)
Yamaha Motor Co., Ltd.
YAMAHA MOTOR EUROPE N.V.
Hansemannstraße 12, 41468 Neuss
Postfach 21 06 53, 41432 Neuss
Deutschland
https://global.yamaha-motor.com/
https://www.yamaha-motor.eu/de