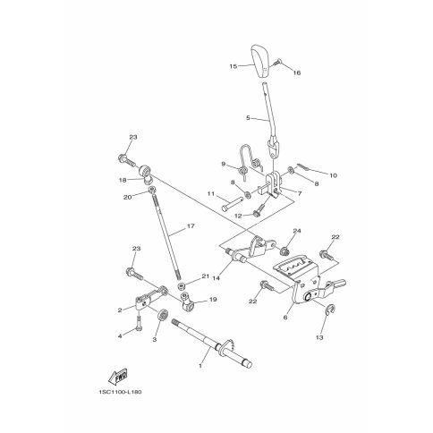
Artikelname: PLATE, SHIFT ARM (PLATE, SHIFT ARM)
Hersteller: Yamaha
OEM Nummer: 1SC-E811A-00 (1SCE811A00)
Kategorien: Schaltwelle
2012
GRIZZLY 300 (YFM300)
Yamaha Motor Co., Ltd.
YAMAHA MOTOR EUROPE N.V.
Hansemannstraße 12, 41468 Neuss
Postfach 21 06 53, 41432 Neuss
Deutschland
https://global.yamaha-motor.com/
https://www.yamaha-motor.eu/de