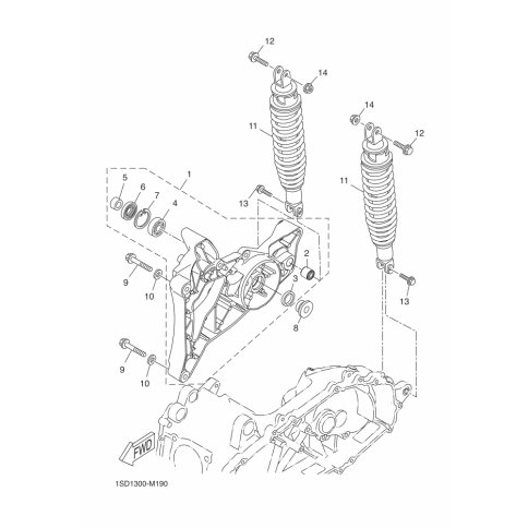
Artikelname: HINTERRADSCHWINGENEINHEIT (REAR ARM ASSY)
Hersteller: Yamaha
OEM Nummer: 1SD-F2100-00 (1SDF210000)
Kategorien: Heck & Federung
2014
XMAX 400 (YP400R)
2013
XMAX 400 (YP400R)
Yamaha Motor Co., Ltd.
YAMAHA MOTOR EUROPE N.V.
Hansemannstraße 12, 41468 Neuss
Postfach 21 06 53, 41432 Neuss
Deutschland
https://global.yamaha-motor.com/
https://www.yamaha-motor.eu/de