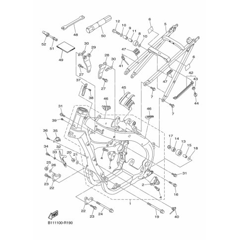
Artikelname: KLEMME, KABELBAUM 1 (CLAMP, WIRE HARNESS 1)
Hersteller: Yamaha
OEM Nummer: 1SL-21335-01 (1SL2133501)
Kategorien: Rahmen
2017
YZ450F (YZ450F)
2016
YZ450F (YZ450F)
Yamaha Motor Co., Ltd.
YAMAHA MOTOR EUROPE N.V.
Hansemannstraße 12, 41468 Neuss
Postfach 21 06 53, 41432 Neuss
Deutschland
https://global.yamaha-motor.com/
https://www.yamaha-motor.eu/de