Artikelname: PLATTE, ZULASSUNGSSCHILD (PLATE, NUMBER)
Hersteller: Yamaha
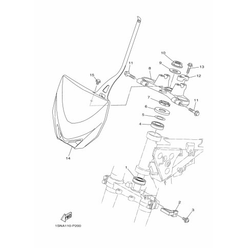
OEM Nummer: 1SN-23485-00 (1SN2348500)
Kategorien: Lenkung
2017
YZ85LW (YZ85LW)
2016
YZ85LW (YZ85LW)
2015
YZ85LW (YZ85LW)
Yamaha Motor Co., Ltd.
YAMAHA MOTOR EUROPE N.V.
Hansemannstraße 12, 41468 Neuss
Postfach 21 06 53, 41432 Neuss
Deutschland
https://global.yamaha-motor.com/
https://www.yamaha-motor.eu/de