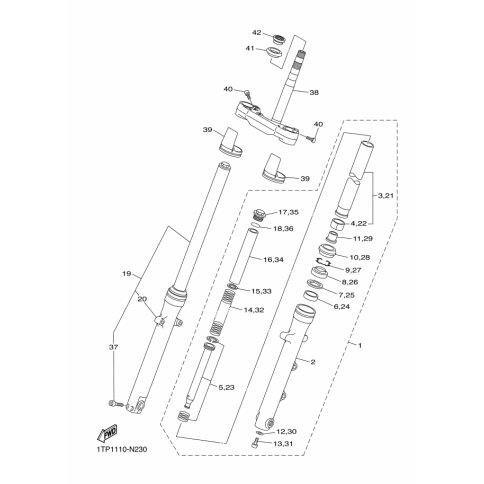
Artikelname: AUSSERES ROHR 1 (TUBE, OUTER (L.H))
Hersteller: Yamaha
OEM Nummer: 1TP-23126-00 (1TP2312600)
Kategorien: Gabel
2014
XVS950 ABS (XVS950CU)
Yamaha Motor Co., Ltd.
YAMAHA MOTOR EUROPE N.V.
Hansemannstraße 12, 41468 Neuss
Postfach 21 06 53, 41432 Neuss
Deutschland
https://global.yamaha-motor.com/
https://www.yamaha-motor.eu/de