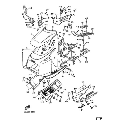
Artikelname: EMBLEM (EMBLEM)
Information: UR FOR SMR
Hersteller: Yamaha
OEM Nummer: 1TV-28328-10 (1TV2832810)
Kategorien: Kühlung 1
1986
FZ750
Yamaha Motor Co., Ltd.
YAMAHA MOTOR EUROPE N.V.
Hansemannstraße 12, 41468 Neuss
Postfach 21 06 53, 41432 Neuss
Deutschland
https://global.yamaha-motor.com/
https://www.yamaha-motor.eu/de